高真空蒸馏成套装备
发布日期:2019-07-04 来源:sjhg
实物图

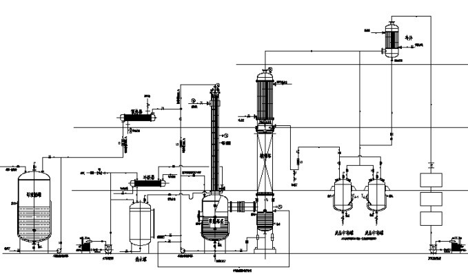
工艺流程图

工作原理
母液从进料口,通过真空负压进入蒸发器上端,经过分液装置让液体形成薄膜从上而下,此时,夹套蒸汽对物料加热,冷凝水从底部排出,薄膜液体在高真空下10至20秒内就汽化,汽化出来的汽体进入气液传质系统,在低压降的高真空传质系统内传质交换,高沸液相回流到蒸发系统重新蒸发或排放;汽相部分一部分回流,另一部分从塔顶采出进入成品罐;塔釜高沸母液定期排出。该系统可以进行连续精馏,也可以进行间歇精馏,视产品质量和产量要求而定。系统高真空设计及安装是本系统关键,要保证蒸发室内达到高真空对系统部件(填料-苏尔寿)选择及匹配很重要。
系统组成包括:短程薄膜蒸发系统、气液传质系统、高真空机组系统、物料进料与接收系统。
应用范围
广泛应用于化工、医药高沸点,用传统分离方式以分离的回收原料、半成品及成品(如二甲亚砜等)的精馏提纯等。
技术参数及特点
填料塔它是由塔体、填料、喷淋装置、支撑栅板、再分配器、气液进出口管等组成。填料是使气液两相高度分散,扩大相间接触面积;喷淋装置是使液体均匀分散喷洒在填料层中;支撑栅板是支撑填料层,并使蒸气均匀通过填料层;再分配器的作用是使液体能够均交地润湿。所以为了创造气液接触的良好条件,在塔体中一定高度上设置再分配器,使液体集中进行再分配,以保证均匀喷洒。
填料塔具有生产能力大,分离效率高,压降小,持液量小,操作弹性大等优点。
当填料层较高时,为防止壁流,需要进行分段,中间设置再分布装置。
填料的种类很多,可视工艺情况选择散装填料或规整填料。
不能直接用于有悬浮物或容易聚合的物料。
我公司可以根据贵方提供的物料及特性,用我们的中试装置进行试验,为您量身定制专用、可行、低成本费用的成套设备。



